View Gmc Savana 2012 Wiring Diagram Fuel Pump PNG

A bad fuel pump in your chevy silverado will lead to poor gas mileage, and eventually cause the truck to not start at all, so the pump needs to be replaced immediately. Order gmc savana 3500 fuel pump harness connector online today. I believe the brand was carter. Find aftermarket and oem parts online or at a local store near you. How to install new gm wire harness on fuel pump module.

4.8l, 5.3l, 6.0l v8 engines. Used 2004 Gmc Savana For Sale At Uebelhor And Sons Chevrolet Jasper Vin 1gdfg15t741246604
Used 2004 Gmc Savana For Sale At Uebelhor And Sons Chevrolet Jasper Vin 1gdfg15t741246604 from pictures.dealer.com
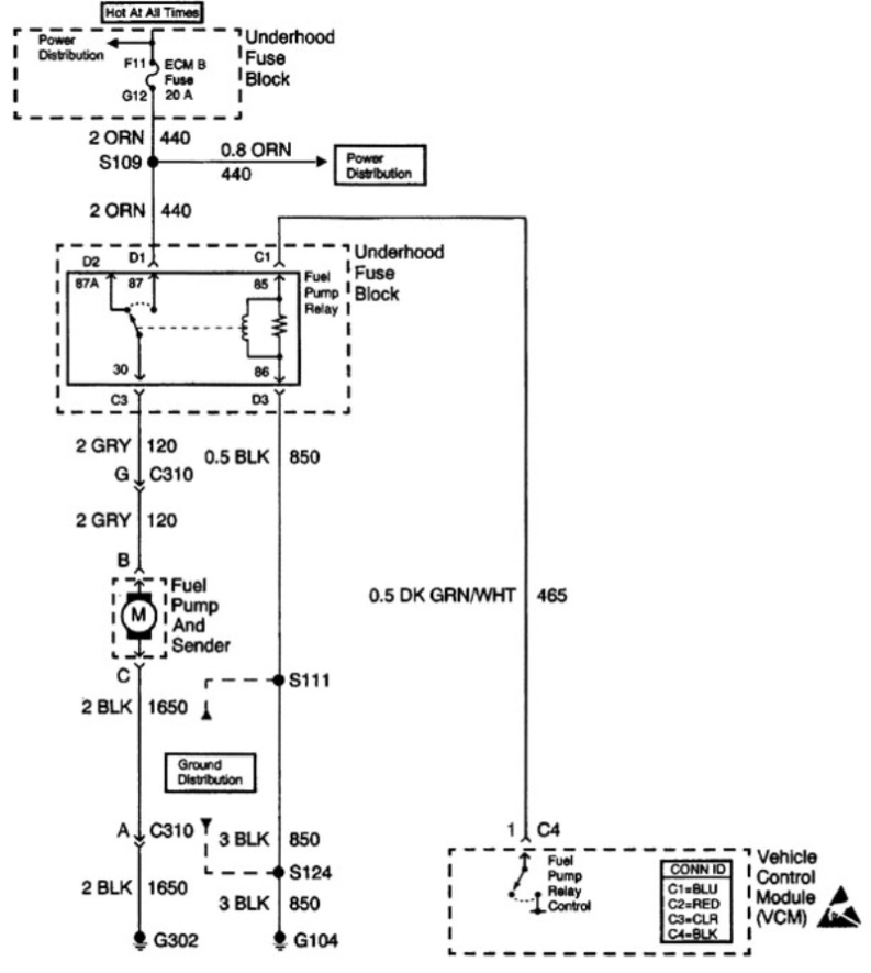
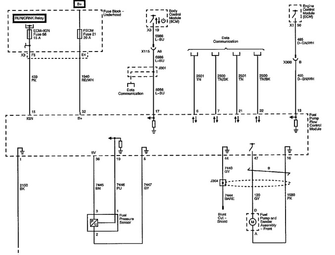
Fuel pump circuit wiring diagram. Over time, the chemical composition of power steering fluid breaks down, thereby reducing its effectiveness. Turning your key to start the engine o How to install new gm wire harness on fuel pump module. If the vehicle has a passenger sensing system, the passenger airbag status indicator will be visible. Fuel pump wiring problems on 2010 gmc savana 2500. 2003, 2004, 2005, 2006, 2007 v8 chevrolet express, gmc savana. I purchased an aftermarket fuel pump for my truck.

How to install new gm wire harness on fuel pump module.

If the vehicle has a passenger sensing system, the passenger airbag status indicator will be visible. 2003, 2004, 2005, 2006, 2007 v8 chevrolet express, gmc savana. Turning your key to start the engine o The pump and packaging were excellent and i . Find aftermarket and oem parts online or at a local store near you. Electrical charging system description and operation. Fuel pump wiring problems on 2010 gmc savana 2500. Order gmc savana 3500 fuel pump harness connector online today. A bad fuel pump in your chevy silverado will lead to poor gas mileage, and eventually cause the truck to not start at all, so the pump needs to be replaced immediately. Fuel pump circuit wiring diagram. Low prices on fuel pump wiring harness for your gmc savana 3500 at advance auto parts. 246,269 views apr 20, 2012 this video is about how to install a new airtex fuel pump . Check out free battery charging and engine .

4.8l, 5.3l, 6.0l v8 engines. Electrical charging system description and operation. Low prices on fuel pump wiring harness for your gmc savana 3500 at advance auto parts. 246,269 views apr 20, 2012 this video is about how to install a new airtex fuel pump . If the vehicle has a passenger sensing system, the passenger airbag status indicator will be visible.

Turning your key to start the engine o No Injector Pulse Gm Truck Club Forum
No Injector Pulse Gm Truck Club Forum from www.gmtruckclub.com
I believe the brand was carter. Order gmc savana 3500 fuel pump harness connector online today. Turning your key to start the engine o If the vehicle has a passenger sensing system, the passenger airbag status indicator will be visible. Find aftermarket and oem parts online or at a local store near you. 1999 gmc savana 2500 fuel pump wiring diagram the pump has 2 elect. 4.8l, 5.3l, 6.0l v8 engines. Over time, the chemical composition of power steering fluid breaks down, thereby reducing its effectiveness.

How to install new gm wire harness on fuel pump module.

A bad fuel pump in your chevy silverado will lead to poor gas mileage, and eventually cause the truck to not start at all, so the pump needs to be replaced immediately. Over time, the chemical composition of power steering fluid breaks down, thereby reducing its effectiveness. 246,269 views apr 20, 2012 this video is about how to install a new airtex fuel pump . Check out free battery charging and engine . Electrical charging system description and operation. How to install new gm wire harness on fuel pump module. I purchased an aftermarket fuel pump for my truck. 1999 gmc savana 2500 fuel pump wiring diagram the pump has 2 elect. Order gmc savana 3500 fuel pump harness connector online today. Fuel pump wiring problems on 2010 gmc savana 2500. Car trouble always seems to happen at the most inconvenient times, usually when you are already running late or on your way to an extremely important commitment. Find aftermarket and oem parts online or at a local store near you. Fuel pump circuit wiring diagram.

The pump and packaging were excellent and i . Turning your key to start the engine o A power steering pump directs power steering fluid throughout the steering components and assists in turning the vehicle's wheels. 1999 gmc savana 2500 fuel pump wiring diagram the pump has 2 elect. Order gmc savana 3500 fuel pump harness connector online today.

I purchased an aftermarket fuel pump for my truck. Gm Fuel System Control Module Fscm Scannerdanner Forum Scannerdanner
Gm Fuel System Control Module Fscm Scannerdanner Forum Scannerdanner from www.scannerdanner.com
Turning your key to start the engine o Check out free battery charging and engine . A power steering pump directs power steering fluid throughout the steering components and assists in turning the vehicle's wheels. Low prices on fuel pump wiring harness for your gmc savana 3500 at advance auto parts. Free same day store pickup. How to install new gm wire harness on fuel pump module. Order gmc savana 3500 fuel pump harness connector online today. A bad fuel pump in your chevy silverado will lead to poor gas mileage, and eventually cause the truck to not start at all, so the pump needs to be replaced immediately.

4.8l, 5.3l, 6.0l v8 engines.

4.8l, 5.3l, 6.0l v8 engines. How to install new gm wire harness on fuel pump module. Over time, the chemical composition of power steering fluid breaks down, thereby reducing its effectiveness. Low prices on fuel pump wiring harness for your gmc savana 3500 at advance auto parts. 2003, 2004, 2005, 2006, 2007 v8 chevrolet express, gmc savana. Turning your key to start the engine o Check out free battery charging and engine . Electrical charging system description and operation. If the vehicle has a passenger sensing system, the passenger airbag status indicator will be visible. I purchased an aftermarket fuel pump for my truck. Fuel pump wiring problems on 2010 gmc savana 2500. 1999 gmc savana 2500 fuel pump wiring diagram the pump has 2 elect. 246,269 views apr 20, 2012 this video is about how to install a new airtex fuel pump .

View Gmc Savana 2012 Wiring Diagram Fuel Pump
PNG
. A bad fuel pump in your chevy silverado will lead to poor gas mileage, and eventually cause the truck to not start at all, so the pump needs to be replaced immediately. Order gmc savana 3500 fuel pump harness connector online today. Car trouble always seems to happen at the most inconvenient times, usually when you are already running late or on your way to an extremely important commitment. 2003, 2004, 2005, 2006, 2007 v8 chevrolet express, gmc savana. Check out free battery charging and engine .


Posting Komentar

0 Komentar

Ad Code

Responsive Advertisement