View Intermediate Switch Wiring In Australia Gif

The single circuit may have one or more lights in it. The intermediate switch includes four terminals where these terminals will change the flow of current from circuit to circuit. Rear view of switches 2 way switch any number of intermediate switches can be wired between the 2 way switches intermediate switch 2 way switch wiring diagram for csmi intermediate switch load n csmi wiring diagram.pdf 07 april 2017 1 3 1 c 4 2 2 1 c 2 ® electrical accessories Switches are always wired on the phase (line or hot) wires same as fuses. The intermediate switch has no 'off' position.

An intermediate lighting circuit is used when one circuit is to be turned on or off by three or more switches. 2 Way Switch Wiring Diagram Light Wiring
2 Way Switch Wiring Diagram Light Wiring from www.lightwiring.co.uk
It is a four terminal switch that provides a path between two active wires and two load wires. The intermediate switch includes four terminals where these terminals will change the flow of current from circuit to circuit. We have a range of stockists around australia. The single circuit may have one or more lights in it. Rear view of switches 2 way switch any number of intermediate switches can be wired between the 2 way switches intermediate switch 2 way switch wiring diagram for csmi intermediate switch load n csmi wiring diagram.pdf 07 april 2017 1 3 1 c 4 2 2 1 c 2 ® electrical accessories 50/60hz with standard tolerances n range n general characteristics wiring diagram t connection: An intermediate lighting circuit is used when one circuit is to be turned on or off by three or more switches. By using these switches, controlling light can be done from 3 different places.

30ma nominal voltage and frequency:

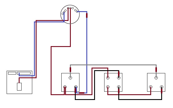
Switches are always wired on the phase (line or hot) wires same as fuses. Rear view of switches 2 way switch any number of intermediate switches can be wired between the 2 way switches intermediate switch 2 way switch wiring diagram for csmi intermediate switch load n csmi wiring diagram.pdf 07 april 2017 1 3 1 c 4 2 2 1 c 2 ® electrical accessories The single circuit may have one or more lights in it. This switch is used in conjunction with two way switches to provide three or more switches for one lighting circuit. We have a range of stockists around australia. It is a four terminal switch that provides a path between two active wires and two load wires. The intermediate switch includes four terminals where these terminals will change the flow of current from circuit to circuit. A wiring and circuit diagram is shown below. An intermediate lighting circuit is used when one circuit is to be turned on or off by three or more switches. This type of circuit uses two of the two way switches and one or more of the intermediate switches. 30ma nominal voltage and frequency: If you're interested in finding this product, call our customer service team on 1300 369 777 or view our stockists by choosing your profile below. Staircase wiring using intermediate switch.

We have a range of stockists around australia. When the switch position is changed, the supply is crossed over. By using these switches, controlling light can be done from 3 different places. If you're interested in finding this product, call our customer service team on 1300 369 777 or view our stockists by choosing your profile below. This type of circuit uses two of the two way switches and one or more of the intermediate switches.

If you're interested in finding this product, call our customer service team on 1300 369 777 or view our stockists by choosing your profile below. Electrical Revision
Electrical Revision from electricalrevision.yolasite.com
The intermediate switch has no 'off' position. A wiring and circuit diagram is shown below. An intermediate lighting circuit is used when one circuit is to be turned on or off by three or more switches. 50/60hz with standard tolerances n range n general characteristics wiring diagram t connection: The single circuit may have one or more lights in it. 30ma nominal voltage and frequency: By using these switches, controlling light can be done from 3 different places. This type of circuit uses two of the two way switches and one or more of the intermediate switches.

This switch is used in conjunction with two way switches to provide three or more switches for one lighting circuit.

If you're interested in finding this product, call our customer service team on 1300 369 777 or view our stockists by choosing your profile below. An intermediate lighting circuit is used when one circuit is to be turned on or off by three or more switches. 27/03/2019 · intermediate switching makes it possible to switch the same light(s) from multiple switches. The single circuit may have one or more lights in it. We have a range of stockists around australia. Staircase wiring using intermediate switch. This type of circuit uses two of the two way switches and one or more of the intermediate switches. 01/07/2018 · 4 way light switch using intermediate switching australia.always earth light circuits.was omitted for clarity sakes, switchwires from switches were twin. The intermediate switch includes four terminals where these terminals will change the flow of current from circuit to circuit. The intermediate switch has no 'off' position. They are very straight forward to terminate.this is a wiring/ter. This switch is used in conjunction with two way switches to provide three or more switches for one lighting circuit. A wiring and circuit diagram is shown below.

27/03/2019 · intermediate switching makes it possible to switch the same light(s) from multiple switches. If you're interested in finding this product, call our customer service team on 1300 369 777 or view our stockists by choosing your profile below. 30ma nominal voltage and frequency: An intermediate lighting circuit is used when one circuit is to be turned on or off by three or more switches. It is a four terminal switch that provides a path between two active wires and two load wires.

The intermediate switch includes four terminals where these terminals will change the flow of current from circuit to circuit. 2 Way Switch Wiring Diagram Light Wiring
2 Way Switch Wiring Diagram Light Wiring from www.lightwiring.co.uk
A wiring and circuit diagram is shown below. 01/07/2018 · 4 way light switch using intermediate switching australia.always earth light circuits.was omitted for clarity sakes, switchwires from switches were twin. The intermediate switch has no 'off' position. If you're interested in finding this product, call our customer service team on 1300 369 777 or view our stockists by choosing your profile below. An intermediate lighting circuit is used when one circuit is to be turned on or off by three or more switches. We have a range of stockists around australia. 50/60hz with standard tolerances n range n general characteristics wiring diagram t connection: Staircase wiring using intermediate switch.

The single circuit may have one or more lights in it.

This switch is used in conjunction with two way switches to provide three or more switches for one lighting circuit. If you're interested in finding this product, call our customer service team on 1300 369 777 or view our stockists by choosing your profile below. 50/60hz with standard tolerances n range n general characteristics wiring diagram t connection: This type of circuit uses two of the two way switches and one or more of the intermediate switches. The intermediate switch has no 'off' position. They are very straight forward to terminate.this is a wiring/ter. The intermediate switch includes four terminals where these terminals will change the flow of current from circuit to circuit. 01/07/2018 · 4 way light switch using intermediate switching australia.always earth light circuits.was omitted for clarity sakes, switchwires from switches were twin. 30ma nominal voltage and frequency: 27/03/2019 · intermediate switching makes it possible to switch the same light(s) from multiple switches. An intermediate lighting circuit is used when one circuit is to be turned on or off by three or more switches. We have a range of stockists around australia. When the switch position is changed, the supply is crossed over.

View Intermediate Switch Wiring In Australia
Gif
. When the switch position is changed, the supply is crossed over. By using these switches, controlling light can be done from 3 different places. 30ma nominal voltage and frequency: We have a range of stockists around australia. It is a four terminal switch that provides a path between two active wires and two load wires.


Posting Komentar

0 Komentar

Ad Code

Responsive Advertisement