24+ 1971 Vw Beetle Wiring Diagram Images

Learn where to find wiring diagrams for your car. Who doesn't know this car, the volkswagen beetle, it is popular all . In video two we are moving inside the car. Enjoy up to 15% off your order, . 1971 super beetle wiring diagram.

Who doesn't know this car, the volkswagen beetle, it is popular all . Thesamba Com Type 1 Wiring Diagrams
Thesamba Com Type 1 Wiring Diagrams from www.thesamba.com
1971, usa corrected fuse box. We are providing a detailed wiring connection by terminal, wire colors and system applications. Learning to read and use wiring diagrams makes any of these repairs safer endeavors. 1971, super beetle additional wiring Learn where to find wiring diagrams for your car. Enjoy up to 15% off your order, . In video two we are moving inside the car. Prospero's wiring diagrams presents the quick and dirty .

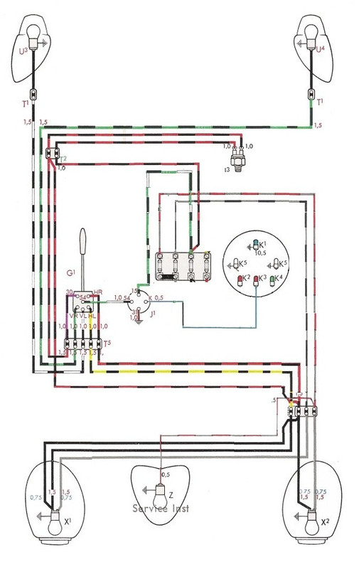
This is the 1971 vw beetle and super beetle electrical wiring diagram.

1971, usa corrected fuse box. Who doesn't know this car, the volkswagen beetle, it is popular all . 1971, super beetle additional wiring In video two we are moving inside the car. This enduring symbol of 1960s counterculture also happens to be an example of one of the greatest rebranding efforts in history. We are providing a detailed wiring connection by terminal, wire colors and system applications. Jbugs.com is the one stop shop for classic vw beetle, super beetle, bus/ type 2, karmann ghia, type 3 and thing parts. Learn where to find wiring diagrams for your car. Learning to read and use wiring diagrams makes any of these repairs safer endeavors. 1971 super beetle wiring diagram. Who doesn't know this car, the volkswagen beetle, it is popular all. This is the 1971 vw beetle and super beetle electrical wiring diagram. Prospero's wiring diagrams presents the quick and dirty .

Who doesn't know this car, the volkswagen beetle, it is popular all. Enjoy up to 15% off your order, . 1971, usa corrected fuse box. We are providing a detailed wiring connection by terminal, wire colors and system applications. This is the 1971 vw beetle and super beetle electrical wiring diagram.

Enjoy up to 15% off your order, . Wiring Diagram Shoptalkforums Com
Wiring Diagram Shoptalkforums Com from www.vintagebus.com
This is the 1971 vw beetle and super beetle electrical wiring diagram. Learn where to find wiring diagrams for your car. 1971, super beetle additional wiring In video two we are moving inside the car. Who doesn't know this car, the volkswagen beetle, it is popular all . 1971, usa corrected fuse box. We are providing a detailed wiring connection by terminal, wire colors and system applications. Who doesn't know this car, the volkswagen beetle, it is popular all.

Who doesn't know this car, the volkswagen beetle, it is popular all .

This is the 1971 vw beetle and super beetle electrical wiring diagram. Enjoy up to 15% off your order, . We are providing a detailed wiring connection by terminal, wire colors and system applications. Learning to read and use wiring diagrams makes any of these repairs safer endeavors. Prospero's wiring diagrams presents the quick and dirty . 1971, super beetle additional wiring Who doesn't know this car, the volkswagen beetle, it is popular all . 1971 super beetle wiring diagram. In video two we are moving inside the car. Jbugs.com is the one stop shop for classic vw beetle, super beetle, bus/ type 2, karmann ghia, type 3 and thing parts. 1971, usa corrected fuse box. Who doesn't know this car, the volkswagen beetle, it is popular all. This enduring symbol of 1960s counterculture also happens to be an example of one of the greatest rebranding efforts in history.

1971, usa corrected fuse box. Jbugs.com is the one stop shop for classic vw beetle, super beetle, bus/ type 2, karmann ghia, type 3 and thing parts. Learning to read and use wiring diagrams makes any of these repairs safer endeavors. 1971, super beetle additional wiring Prospero's wiring diagrams presents the quick and dirty .

Who doesn't know this car, the volkswagen beetle, it is popular all. Electrics Beetle 1971 1300 Electrical Woes Continued Volkszone Forum
Electrics Beetle 1971 1300 Electrical Woes Continued Volkszone Forum from www.speedyjim.net
This is the 1971 vw beetle and super beetle electrical wiring diagram. Enjoy up to 15% off your order, . Prospero's wiring diagrams presents the quick and dirty . In video two we are moving inside the car. 1971 super beetle wiring diagram. Jbugs.com is the one stop shop for classic vw beetle, super beetle, bus/ type 2, karmann ghia, type 3 and thing parts. 1971, usa corrected fuse box. Who doesn't know this car, the volkswagen beetle, it is popular all .

1971 super beetle wiring diagram.

Who doesn't know this car, the volkswagen beetle, it is popular all . This is the 1971 vw beetle and super beetle electrical wiring diagram. Prospero's wiring diagrams presents the quick and dirty . 1971 super beetle wiring diagram. In video two we are moving inside the car. We are providing a detailed wiring connection by terminal, wire colors and system applications. Enjoy up to 15% off your order, . Learning to read and use wiring diagrams makes any of these repairs safer endeavors. 1971, super beetle additional wiring This enduring symbol of 1960s counterculture also happens to be an example of one of the greatest rebranding efforts in history. Jbugs.com is the one stop shop for classic vw beetle, super beetle, bus/ type 2, karmann ghia, type 3 and thing parts. Learn where to find wiring diagrams for your car. 1971, usa corrected fuse box.

24+ 1971 Vw Beetle Wiring Diagram
Images
. This enduring symbol of 1960s counterculture also happens to be an example of one of the greatest rebranding efforts in history. Who doesn't know this car, the volkswagen beetle, it is popular all . Who doesn't know this car, the volkswagen beetle, it is popular all. Enjoy up to 15% off your order, . Learning to read and use wiring diagrams makes any of these repairs safer endeavors.


Posting Komentar

0 Komentar

Ad Code

Responsive Advertisement