Download Wiring Schematic For Farmall A Gif

140 farmall wiring diagram regulator 12v. Both are positive ground with the plus wire going to the distributor. Farmall cub 6v ignition publi24 iasi. 1952 cub 12 volt wiring schematic/diagram. Mon may 04, 2020 9:01 pm post subject:

My cub is a 1947 (serial # 17533) and has a distributor. 826 Wiring Diagram Technical Ih Talk Red Power Magazine Community
826 Wiring Diagram Technical Ih Talk Red Power Magazine Community from redpowerphotos.s3.us-east-2.amazonaws.com
Farmall super a wiring diagrams: The operators manual has a different diagram. Farmall cub 6v ignition publi24 iasi. 1952 farmall cub 6 volt wiring diagram welcome to our site this is images about 1952 farmall cub 6 volt wiring diagram posted by ella brouillard in 1952 category on may 23 2019. 25/06/2017 · ***please read before commenting**** this video goes out to my friend jan kotze of south africa , where parts are not that easy to come by. Mon may 04, 2020 9:33 pm post subject: Mon may 04, 2020 9:01 pm post subject: Wed oct 11, 2017 5:22 pm post subject:

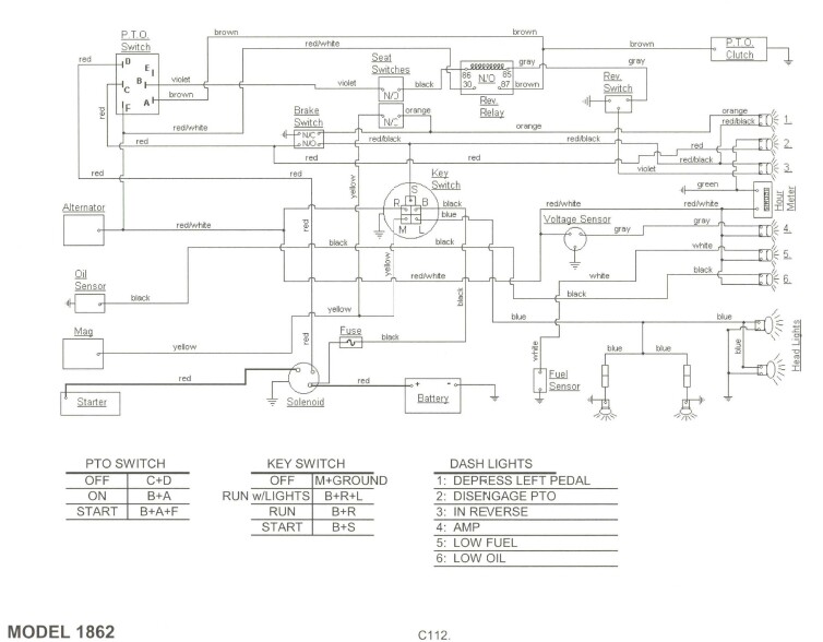
Farmall ignition, starter, and light switches.

Farmall super a wiring diagrams: 25/06/2017 · ***please read before commenting**** this video goes out to my friend jan kotze of south africa , where parts are not that easy to come by. I dont think my wiring matched any of the diagrams floating around here or. Wore out tractor guru joined: Get the farmall super a wiring diagram colleague that we. 04/05/2019 · 1949 farmall cub wiring diagram. Another local owner has 2 cubs (1 late 40s, the other mid 50s). 1952 farmall cub 6 volt wiring diagram welcome to our site this is images about 1952 farmall cub 6 volt wiring diagram posted by ella brouillard in 1952 category on may 23 2019. Farmall cub 6v ignition publi24 iasi. This is the most common 12 volt conversion that used to be done, though the newer alternators have made it … 25/11/2012 · yes, this is the diagram i am refering to. Wed oct 11, 2017 5:22 pm post subject: It is a 6 volt positive ground system.

Wed oct 11, 2017 5:22 pm post subject: 570lxt 1835c schematics backhoe 580l. 25/11/2012 · yes, this is the diagram i am refering to. Please right click on the image and save the illustration. Farmall super a wiring diagrams:

My cub is a 1947 (serial # 17533) and has a distributor. 1
1 from
This is for an h or m,. 1952 cub 12 volt wiring schematic/diagram. But electrically they wired the same as a cub. Mon may 04, 2020 9:01 pm post subject: 04/05/2019 · 1949 farmall cub wiring diagram. Another local owner has 2 cubs (1 late 40s, the other mid 50s). Please right click on the image and save the illustration. 25/06/2017 · ***please read before commenting**** this video goes out to my friend jan kotze of south africa , where parts are not that easy to come by.

Farmall ignition, starter, and light switches.

My cub is a 1947 (serial # 17533) and has a distributor. Farmall cub 6v ignition publi24 iasi. Farmall super a wiring diagrams: It is a 6 volt positive ground system. 140 farmall wiring diagram regulator 12v. 1952 farmall cub 6 volt wiring diagram welcome to our site this is images about 1952 farmall cub 6 volt wiring diagram posted by ella brouillard in 1952 category on may 23 2019. Get the farmall super a wiring diagram colleague that we. Wed oct 11, 2017 5:22 pm post subject: Mon may 04, 2020 9:01 pm post subject: 570lxt 1835c schematics backhoe 580l. Farmall super a wiring diagrams: 1952 cub 12 volt wiring schematic/diagram. I dont think my wiring matched any of the diagrams floating around here or.

This is the most common 12 volt conversion that used to be done, though the newer alternators have made it … It is a 6 volt positive ground system. 25/11/2012 · yes, this is the diagram i am refering to. But electrically they wired the same as a cub. 140 farmall wiring diagram regulator 12v.

Please right click on the image and save the illustration. Farmall Tractor Parts Added A New Farmall Tractor Parts
Farmall Tractor Parts Added A New Farmall Tractor Parts from lookaside.fbsbx.com
Cub lo boy 154 parts diagram. This is the most common 12 volt conversion that used to be done, though the newer alternators have made it … Please right click on the image and save the illustration. My cub is a 1947 (serial # 17533) and has a distributor. Get the farmall super a wiring diagram colleague that we. You have remained in right site to begin getting this info. This is for an h or m,. 140 farmall wiring diagram regulator 12v.

The operators manual has a different diagram.

My cub is a 1947 (serial # 17533) and has a distributor. 1952 cub 12 volt wiring schematic/diagram. This is for an h or m,. Both are positive ground with the plus wire going to the distributor. Farmall cub 6v ignition publi24 iasi. 25/06/2017 · ***please read before commenting**** this video goes out to my friend jan kotze of south africa , where parts are not that easy to come by. Farmall super a wiring diagrams: Wore out tractor guru joined: This is the most common 12 volt conversion that used to be done, though the newer alternators have made it … The operators manual has a different diagram. Mon may 04, 2020 9:33 pm post subject: 25/11/2012 · yes, this is the diagram i am refering to. It is a 6 volt positive ground system.

Download Wiring Schematic For Farmall A
Gif
. But electrically they wired the same as a cub. 570lxt 1835c schematics backhoe 580l. Farmall super a wiring diagrams: Both are positive ground with the plus wire going to the distributor. 1952 cub 12 volt wiring schematic/diagram.


Posting Komentar

0 Komentar

Ad Code

Responsive Advertisement